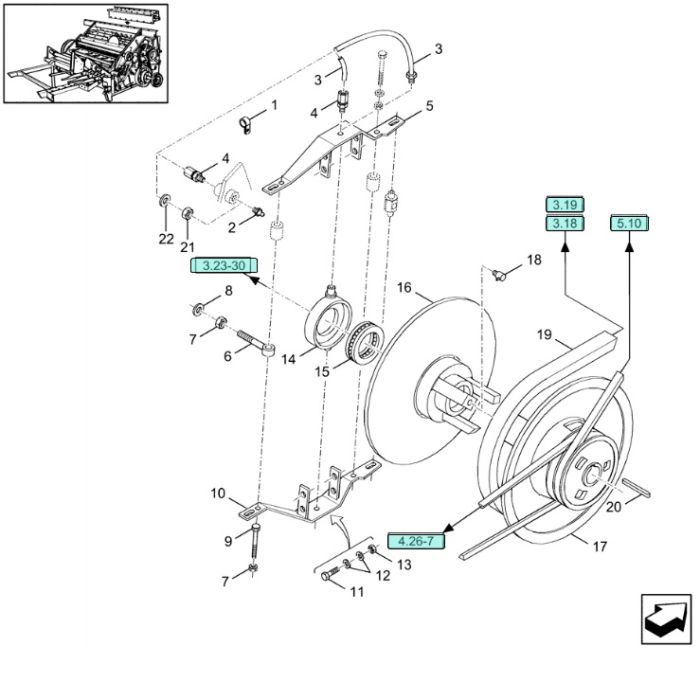
Roulement de variateur 80388068 moissonneuse batteuse New-Holland TF, TX, 51118

En stock
icons/clock Livraison 48-72h
Expédié sous 10 jours
Disque de variateur TF, TX
Soit 94,68 € TTC
78,90 € HT
84,80 € HT
Roulement à bille axial pour variateur repère 15 moissonneuse batteuse New-Holland 8070, 8080, TF42, TF44, TF46, TF76, TF78, TX30, TX32, TX34, TX36, TX62, TX63, TX65, TX66, TX67, TX68
Caractéristique Détail
Diamètre ( mm ) 90/120 mm
Poids 0.7 Kg
À NE PAS RATER

Notre sélection de produits

Il est possible de naviguer entre les éléments du carrousel à l'aide de la touche de tabulation. Vous pouvez sauter le carrousel ou passer directement à la navigation dans le carrousel à l'aide des liens de saut.