Flasque de variateur de batteur 80439596 moissonneuse batteuse New-Holland TF42, TF44, TF46, TF76, TF78, TX30, TX32, TX34, TX36, TX62, TX63, TX65, TX66, TX67, TX68, CT5050, CT5060, CT5070, CT5080

En stock
icons/clock Livraison 48-72h
Sur commande - Nous consulter pour le délais de livraison !
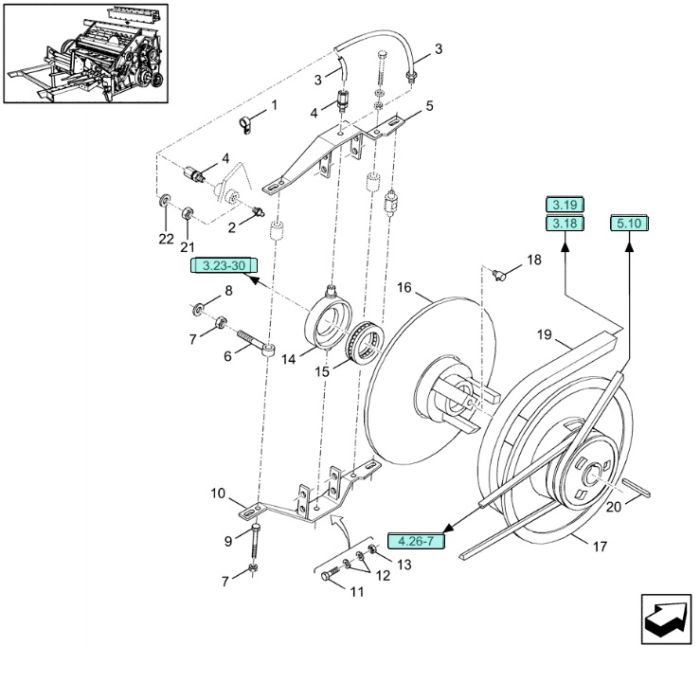
Disque de variateur TF, TX repère N°16
Soit 588,90 € TTC
490,75 € HT
649,00 € HT

Flasque de variateur repère N°16

Convient pour moissonneuse batteuse New-Holland :

TF : TF78, TF44, TF46, TF76, TF42

TX : TX30, TX32, TX34, TX36, TX62, TX63, TX65, TX66, TX67, TX68

Convient pour moissonneuse batteuse Case IH :

CT5050, CT5060, CT5070, CT5080

Caractéristique Détail
Poids 19 Kg
À NE PAS RATER

Notre sélection de produits

Il est possible de naviguer entre les éléments du carrousel à l'aide de la touche de tabulation. Vous pouvez sauter le carrousel ou passer directement à la navigation dans le carrousel à l'aide des liens de saut.