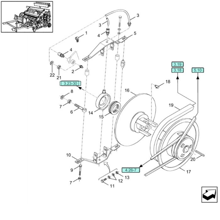
Flasque de variateur de batteur 80754385 moissonneuse batteuse New-Holland TF, TX, TF78, TF44, TF46, TF76, TF42, TX30, TX32, TX34, TX36, TX62, TX63, TX65, TX66, TX67, TX68

En stock
icons/clock Livraison 48-72h
Disque de variateur repère 17
Soit 594,24 € TTC
495,20 € HT
1 178,60 € HT

Flasque de variateur repère 17 moissonneuse batteuse New-Holland :

TF78, TF44, TF46, TF76, TF42

TX30, TX32, TX34, TX36, TX62, TX63, TX65, TX66, TX67, TX68

Diamètre d'alésage, d mm 50

Diamètre extérieur, D mm 430

Nombre de côtes, N 2 Hauteur, H mm 265

Diamètre extérieur, D1 mm 75

Fente pour clé mm 14x5x260

Diamètre extérieur, D2, mm, D2 mm 60

Hauteur , Н1 mm 260

Caractéristique Détail
Poids 22.5 Kg
À NE PAS RATER

Notre sélection de produits

Il est possible de naviguer entre les éléments du carrousel à l'aide de la touche de tabulation. Vous pouvez sauter le carrousel ou passer directement à la navigation dans le carrousel à l'aide des liens de saut.