Joint torique refroidisseur moteur TCD2012, TCD2013, BF6M1013EC, BF6M2012C, TCD 6.1, tracteur Deutz-Fahr Agrotron, New Agrotron, Fendt, Moissonneuse batteuse, Automoteur Matrot, Chargeuse, Nacelle, Pelleteuse...

En stock
icons/clock Livraison 48-72h
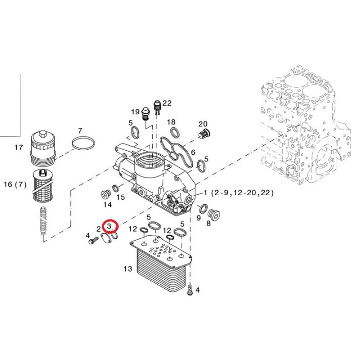
Joint torique support Filtre à huile/bloc moteur
Soit 4,54 € TTC
3,78 € HT

Joint de support refroidisseur moteur TCD 6.1, TCD2012, TCD2013, BF6M1013EC, BF6M2012C, TCD 6.1 L06 4V 2005/13/EG Stufe 4 / EPA 4f 910.490, TCD 6.1 L06 4V 2005/13/EG Stufe 3b / EPA 4i 910.490, TCD 2012 L06 4V 910.490, TCD 6.1 L06 4V 2005/13/EG Stufe 3b / EPA 4i 910.490

tracteur Deutz-Fahr Agrotron, New Agrotron, Moissonneuse batteuse, Automoteur Matrot, Chargeuse, Nacelle, Pelleteuse...

Convient pour tracteur Deutz-Fahr :

Serie 6 Agrotron 6120.4 Agrotron, 6130.4 Agrotron, 6140.4 Agrotron, 6150.4 Agrotron, 6155.4 Agrotron, 6160.4 Agrotron, 6165.4 Agrotron, 6175.4 Agrotron

Serie 6 Agrotron TTV 6120.4 TTV Agrotron, 6130.4 TTV Agrotron, 6150.4 TTV Agrotron, 6155.4 TTV Agrotron, 6160 TTV Agrotron, 6165.4 TTV Agrotron, 6175.4 TTV Agrotron

Moissonneuse Batteuse Deutz-Fahr :

 

Convient pour tracteur Fendt :

Serie Farmer 400 Farmer 409 (Typ 409), Farmer 410 (Typ 410), Farmer 411 (Typ 411)

Serie Favorit 700 Favorit 711 (Typ 711), Favorit 712 (Typ 712), Favorit 714 (Typ 714)

Serie Fendt 700 Fendt 714 (Typ 732), Fendt 716 (Typ 733), Fendt 718 (Typ 734), Fendt 720 (Typ 735), Fendt 724 (Typ 737)

Serie Fendt 700 Fendt 714 (Typ 738), Fendt 716 (Typ 739), Fendt 718 (Typ 740), Fendt 720 (Typ 741), Fendt 722 (Typ 742), Fendt 724 (Typ 743)

Serie Fendt 700 Fendt 712 (Typ 724), Fendt 714 (Typ 725), Fendt 716 (Typ 726), Fendt 718 (Typ 727)

Serie Fendt 700, Fendt 722 (Typ 736)

Caractéristique Détail
Marques Linde
Modèles Diverse
Besoin d'informations ?

Tableau des compatibilités

Marque Modèle
À NE PAS RATER

Notre sélection de produits

Il est possible de naviguer entre les éléments du carrousel à l'aide de la touche de tabulation. Vous pouvez sauter le carrousel ou passer directement à la navigation dans le carrousel à l'aide des liens de saut.